Máquina formadora de correas CZ






Para obtener más información, tiempos de entrega y precios, ¡envíenos un correo electrónico!
Descripción general del producto
The CZ Interchangeable Purlin Roll Forming Machine represents a new generation of intelligent metal forming technology, revolutionizing the way C and Z purlins are manufactured. Designed for high-speed, automated production, this advanced system integrates precision roll forming with a fully intelligent post-shearing control system to ensure seamless profile transitions and superior accuracy.
With its smart automation and adaptive design, the CZ purlin roll forming machine enables manufacturers to produce multiple purlin sizes without manual adjustment, significantly improving production efficiency and reducing downtime. Ideal for modern steel structure construction, this equipment is the ultimate choice for companies seeking innovation, precision, and long-term reliability in metal fabrication.
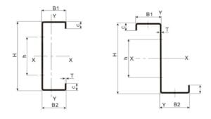
Dibujos de perfil de producto

Parámetros técnicos
| Artículo | Detalles de la especificación |
|---|---|
| Function | C Purline Z Purlin Making Machine |
| Velocidad | 15-22 m/min |
| Tamaño | Adjustable |
| Material Type | Galvanized Steel |
| Height | 40-100 mm |
| Shaft Material | GCr15 |
| Advantage | Automatic Operation, Computer Control |
| Main Power | Servo Motor |
Vídeo del producto
Visualización de detalles del producto




Solicitud

Producto terminado









































































