Tee bar Ceiling Grid Roll Forming Machine






For More information, Delivery Time And Prices, Please Mail Us!
Product Overview
The Tee bar Ceiling Grid Roll Forming Machine is a fully automated production system designed to manufacture standard 24 mm main T-bars for suspended ceiling frameworks. Especially popular in the Cangzhou region, this machine efficiently converts steel sheets ranging from 0.3 mm to 1.2 mm in thickness into T-bars with lengths between 3000 mm and 6000 mm.
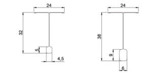
Each T-bar features a precise “T”-shaped cross-section, with an upper flange of approximately 24 mm and a lower flange of about 38 mm. Widely applied in modern architectural ceiling systems, the Tee bar Ceiling Grid Roll Forming Machine ensures uniform dimensions, stable structural performance, and reliable support for easy and secure installation. Its advanced cold roll forming technology allows high-speed production while maintaining excellent quality, making it an ideal solution for manufacturers seeking both efficiency and long-term durability in T-bar fabrication.
Product Profile Drawings
Technical Parameters
| Material – Raw material | PPGI and GI |
| Material – Material thickness (PPGI for T bar top material) | 0.12-0.3 mm |
| Material – Material thickness (GI for T bar bottom material) | 0.2-0.4 mm |
| Decoiler Structure – Loading capacity | 1.5 Tons |
| Decoiler Structure – Coil inner diameter | 450-550 mm |
| Rolling shaft material | 45# STEEL |
| Shaft diameter | 50 mm |
| Roller material | GB-Cr12 |
| Rolling station – Main tee | 18 stations |
| Rolling station – Cross tee | 16 stations |
| Work speed | 0-20 m/min (with punching and cutting) |
Production Flow Chart

Product Detail Display



Finished Product









































































